会员服务
  首页 | 最新采购 | 现货热卖 | IC库存 | 非IC库存 | 应用资料&程序库 | 交流区 | 供应商 | 生产商 | 技术资料
应用资料:  
您现在的位置:首页 >  技术资料   上载库存  

水位控制电路

  最简单的水位传感元件是采用两个电极,当水面淹没电极时,利用不纯净水的导电性使电极之间导通,但导通电阻值较大,约50kΩ,不能代替光敏电阻器直接驱动如图4所示的光控电路,需要灵敏更高的控制电路。
  水位自动控制电路 如图5所示。它是在图4电路的基础上,增加了一级前置放大管VT1,在其基极输入很微弱的电流(10μA)就可以使VT1~3皆饱和导通。控制开关S可以用大头针做成两个电极,当其被水淹没而导电时,小电动机会自行运转。C1为旁路电容器,防止感应交流电对控制电路的干扰。VT1选用低噪音、高增益的小功率NPN硅管9014。根据上述电路水位控制的功能,能否设计成一个感知下雨自动关窗、自动收晾晒衣服绳索的自动控制器。
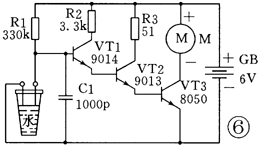
  下偏置水自动控制电路 见图6 。图中,将两个电极改接在VT1下偏置,R1仍为上偏置电阻器。当杯内水面低于两个电极时,相当于下偏置开路,R1产生的偏置电流使电动机起动。当水位上升到淹没电极时,两个电极之间被水导通,将R1产生的偏置电流旁路一部分,使VT1~3截止,电动机停转,与图5控制效果恰好相反。

 




关于我们 | 会员服务 | 广告服务 | 支付方式 | 联系我们 | 友情链接

会员服务热线:

深圳矽通科技版权所有 © Copyright 2005-2007, ic-cn.com.cn All Right Reserved.  粤ICP备07006430号
深  圳13410210660             QQ : 317143513   点击这里与电子元件采购网联系
客服联系: MSN:CaiZH01@hotmail.com       E-mail:info@ic-cn.com.cn